文章以抖音直播为例,跟大家聊一聊数据指标体系的搭建。 引言: 理解数据指标体系,先从what和why的角度去思考和理解它 what(什么是数据指标体系): 基于业务目标,搭建起的数据维度的集合,衡量和促进完成业务目标,做到可衡量、可行动 why(为什么要搭建数据指标体系):

统一what和why的前提下,下面以抖音直播为例,搭建数据指标体系: 一、行业背景 据中商产业研究院的数据,2021上半年我国网络直播用户规模在6.38亿,同比增长6.38亿,占网民整体63.1%。当前中国的总人口是14亿,也就是说直播渗透率在45.6%,且在泛娱乐的大形势下发展强劲,直播形式包含电商直播、游戏直播、真人秀直播等多种多样。 短视频行业的三驾马车中,抖音用户体量达6亿dau,其直播板块增势强劲,dau预计已接近快手(1.7亿)。短视频内容性强,直播互动强;短视频能引流,直播促转化。两者相辅相成,这篇文章就以抖音直播为例搭建数据指标体系。 二、OSM模型:明确业务目标 首先,聊一聊,什么是OSM模型? O(业务目标、Object):用户侧,我们的产品或者功能存在的意义是什么?能够满足什么需求?公司侧,公司的核心目标是什么?是DAU还是GMV?从商业角度,很多公司会选取GMV S(业务策略、Strategy):为了达成业务目标,我们应该采取什么样的业务策略? M(业务度量、Measure):衡量策略是否有效?目标是否达成? 以抖音直播为例,这里以海盗模型(AARRR)及OSM耦合,搭建起业务目标图。抖音直播的关键业务指标可以简化为找到看直播的用户(进入直播间人数)→转化为经常看直播的用户(活跃用户数)→转化为收入(礼物金额、电商GMV)。 这里可以发现,在业务转化的每一个流程中,列出了很多指标,可以做一个简单的分类,分为结果性性指标和过程性指标,收益(Revenue)环节中,GMV就是结果性指标,同时,GMV结果性指标,也可以分解为过程性指标,GMV可以分为推广时长*直播间转化率*电商CTR*购买转化率*客单价。

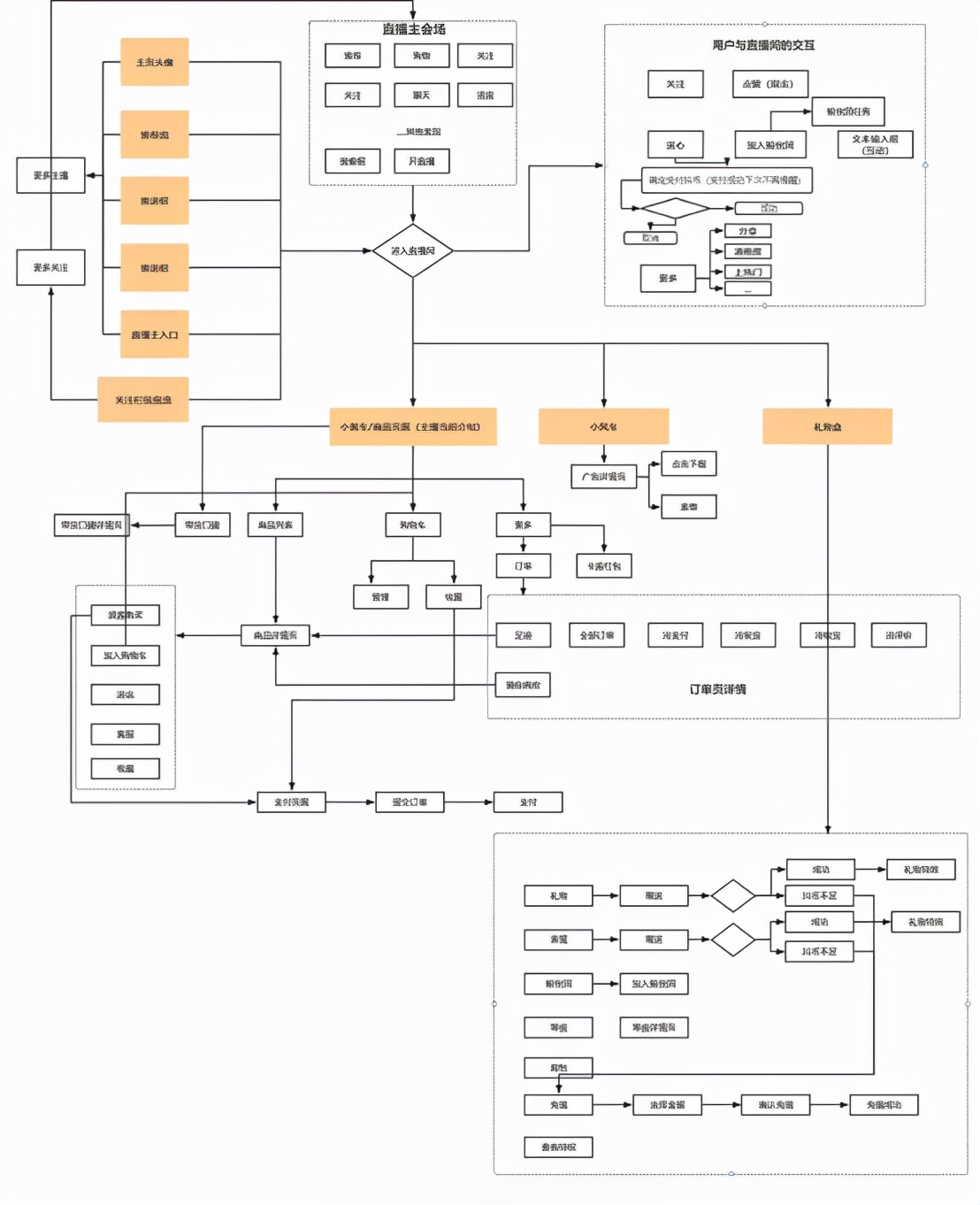
三、UJM模型:搭建用户流转地图 什么是UJM(User Journey Map)用户流转地图呢? 本质上来说就是梳理用户在产品中的完整使用流程,拆解用户所处的每一个阶段、了解用户阶段的行为、明确每个阶段的用户产品目标、发现产品与用户的接触点、最后从接触点中找到产品的痛点和机会点。 同样的,以抖音直播为例,构建一个简单的用户流转地图,解答流量从哪里来、用户在直播间的动作和用户后续的高价值行为这三个问题,并标注出用户在各个流程环节的转化率。

四、产品功能结构图 在上面的用户流转地图中,我们已经整体知道用户从哪里来到哪里去,也可以具体模拟用户在app中的具体操作,具体场景化去搭建用户的产品功能结构图,可以在结构图的基础上可以更具体的梳理出详细的数据指标:

五、搭建数据指标体系 5.1 主指标(一级指标)、子指标(二级指标)和过程性指标(三级指标) 通过以上的OSM业务指标模型、用户流转地图搭建和产品结构图的分析,我们即可搭建出以下的数据指标体系(主体指标基本列出来了,还有详尽的一些指标没有列出)。

这里,我们需要对指标进行分级: 主指标(一级指标):通常代表这业务目标,结果性指标,不可直接观测,但可以以子指标及过程性指标计算得出,这里为用户数、收入 子指标(二级指标):计算主指标的成分,如各种转化率、单位金额 过程性指标(三级指标):具体计数,具体点击各个位置的人数、具体产生的金额 5.2 指标维度及统计方式 数据指标在具体的应用场景中,还需要配合上各种指标维度及统计方式。 如可以计算中各个位置的人均值(人均购物金额、人均赠礼金额、近一段时间的人均点击率)、又或者按具体值分层可以输出用户分层标签(一般用户、活跃用户、价值用户):

5.3数据指标文档(示例) 数据指标体系的搭建不是一朝一夕,而是一项长期需要坚持的工作。 需要设计规范的管理,设计数据指标文档,管理其生命周期长期更新迭代,长期与业务携手并进绽放价值。

